0

Разделы

Скачать Заказные данные 
Весоизмерительные ячейки

Весоизмерительная ячейка, действующая на усилие сжатия, особенно применима для контейнерных, бункерных и автомобильных весов.

 


Дизайн

Скачать Заказные данные 
Весоизмерительные ячейки

Измерительный элемент представляет собой сплошной цилиндр нержавеющей стали, на котором расположены 4 деформируемые измерительных полоски.

За счет центрического воздействия нагрузки в измерительном направлении пружинное тело и связанные с ним измерительные полоски эластично деформируются. При этом вырабатывается измерительное напряжение, пропорциональное нагрузке.

 


Технические данные

Скачать Заказные данные 
Весоизмерительные ячейки

SIWAREX WL270 CP-S SA

 

Возм. области применения

Автомобильные весы, путевые железнодорожные весы, контейнерные весы

Конструктивное исполнение

Работает на сжатие

Ном. нагрузка/макс. нагрузка Eмакс.

10, 20, 30, 50 т

Класс точности по OIML R60

C3

Макс. цена деления nLC

3 000

Мин. цена деления Vмин

 

  • E макс = 10, 20, 50 т

E max/10 000

Мин. диапазон применения  R  мин(LC)

30 %

Комбинированная погрешность Fcomb

± 0.02 % Cn

Переменность Fv

не применяется

Погрешность ползучести Fcr

 

  • 30 мин

± 0.023 % Cn

Температурный коэффициент

 

  •  Нулевой сигнал TKo

0.023 % Cn/5 K

  •  Показатель TKc

0.017 % Cn/5 K

Минимальная предварительная нагрузка Eмин

0 кг

Макс. рабочая нагрузка Lu

150 % Eмакс

Разрушающая нагрузка LD

150 % Eмакс

Макс. поперечная нагрузка LIq

10 % Eмакс

Номинальный измерительный путь hn при Emax

0.5 мм

Напряжение питания (диапазон)

5 … 12 В пост. тока

Номинальный показатель Cn

2.0 ± 0.02 мВ/В

Допуск нулевого сигнала D0

≤ ± 1.0 % Cn

Входное сопротивление Re

700 Ω ± 7 Ω

Выходное сопротивление Ra

700 Ω ± 7 Ω

Сопротивление изоляции Ris

5 000 MΩ at 50 V DC

Номинальный диапазон температур Btn

-10 … +40 °C

Диапазон рабочих температур Btu

-35 … +65 °C

Диапазон температур хранения Bts

-35 … +65 °C

Материал датчика

Нержавеющая сталь

Степень защиты по EN 60529; IEC 60529

IP68

Кабельная разводка

 

Принцип действия

Цвет

  • EXC + (питание +)
  • Красный
  • EXC – (питание -)
  • Черный
  • SIG + (измерительный сигнал +)
  • Зеленый
  • SIG – (измерительный сигнал -)
  • Белый
  • Экран
  • Прозрачный

 

 


Чертеж

Скачать Заказные данные 
Весоизмерительные ячейки

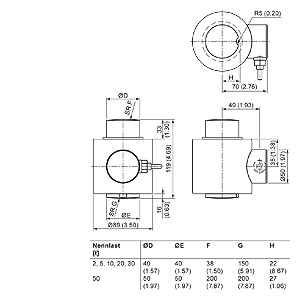
Номинальная нагрузка [т]

Размеры [мм]

 

D

E

F

L

10, 20, 30

40

37.5

150

22

50

50

200

200

27

Весоизмерительные ячейки SIWAREX WL 270 CP-S SA

 


Заказные данные

Скачать Заказные данные 

Цена на сайте указана розничная в ЕВРО без учета НДС.Для уточнения цены и размера предоставляемой скидки - звоните или присылайте заявки

Заказной номерPGОписание продуктаЦена
7MH5108-4GD00801SIWAREX WL 270 LOAD CELL CP-S SA 2T C3 - RATED LOAD 2T - ACCURACY CLASS C3 ACCORDING TO OIML R60 - 10M CABLE LENGTH, 4 CONDUCTOR - MATERIAL STAINLESS STEEL - DEGREE OF PROTECTION IP68 428.24
7MH5108-4PD00801SIWAREX WL 270 LOAD CELL CP-S SA 5T C3 - RATED LOAD 5T - ACCURACY CLASS C3 ACCORDING TO OIML R60 - 10M CABLE LENGTH, 4 CONDUCTOR - MATERIAL STAINLESS STEEL - DEGREE OF PROTECTION IP68 428.24
7MH5108-5AD00801SIWAREX WL 270 LOAD CELL CP-S SA 10T C3 - RATED LOAD 10T - ACCURACY CLASS C3 - 15M CABLE LENGTH, 4 CONDUCTOR - MATERIAL STAINLESS STEEL - DEGREE OF PROTECTION IP68 428.24
7MH5108-5AD01801SIWAREX WL 270 LOAD CELL CP-S SA 10T C3 EX - RATED LOAD 10T - ACCURACY CLASS C3 - 15M CABLE LENGTH, 4 CONDUCTOR - MATERIAL STAINLESS STEEL - DEGREE OF PROTECTION IP68 - WITH EXPLOSION PROTECTION II 1 G EX IA IIC T4 II 1 D EX IAD 20 T73 DEGREES II 3G EX NL IIC T4 528.94
7MH5108-5GD00801SIWAREX WL 270 LOAD CELL CP-S SA 20T C3 - RATED LOAD 20T - ACCURACY CLASS C3 - 15M CABLE LENGTH, 4 CONDUCTOR - MATERIAL STAINLESS STEEL - DEGREE OF PROTECTION IP68 428.24
7MH5108-5GD01801SIWAREX WL 270 LOAD CELL CP-S SA 20T C3 EX - RATED LOAD 20T - ACCURACY CLASS C3 - 15M CABLE LENGTH, 4 CONDUCTOR - MATERIAL STAINLESS STEEL - DEGREE OF PROTECTION IP68 - WITH EXPLOSION PROTECTION II 1 G EX IA IIC T4 II 1 D EX IAD 20 T73 DEGREES II 3G EX NL IIC T4 482.30
7MH5108-5PD00801SIWAREX WL 270 LOAD CELL CP-S SA 50T C3 - RATED LOAD 50T - ACCURACY CLASS C3 - 15M CABLE LENGTH, 4 CONDUCTOR - MATERIAL STAINLESS STEEL - DEGREE OF PROTECTION IP68 428.24
7MH5108-5PD01801SIWAREX WL 270 LOAD CELL CP-S SA 50T C3 EX - RATED LOAD 50T - ACCURACY CLASS C3 - 15M CABLE LENGTH, 4 CONDUCTOR - MATERIAL STAINLESS STEEL - DEGREE OF PROTECTION IP68 - WITH EXPLOSION PROTECTION II 1 G EX IA IIC T4 II 1 D EX IAD 20 T73 DEGREES II 3G EX NL IIC T4 482.30