0

Разделы

Весоизмерительные ячейки

Весоизмерительная ячейка на базе срезного стержня, для эксплуатации в резервуарных, путевых и платформенных весах.

 


Дизайн

Весоизмерительные ячейки

Измерительный элемент представляет собой пружину напряжения среза из нержавеющей стали, на которой расположены расширительные измерительные полоски (DMS). DMS находятся под углом 45° к продольной оси сбоку на пружинном элементе и, таким образом, работают на срез. За счет воздействия нагрузки в измерительном направлении пружинное тело и связанные с ним DMS эластично деформируются. При этом вырабатывается измерительное напряжение, пропорциональное нагрузке.

 


Технические данные

Весоизмерительные ячейки

Весоизмерительные ячейки SIWAREX R, серия SB

возм. области применения

Резервуарные весы, ленточные, подвесные путевые весы и платформенные весы

Конструктивное исполнение

срезной стержень

Ном. нагрузка/макс. нагрузкаEmax.

0,5/1/2/5 т

класс точности по OIML R60

C3

Макс. цена деления nLC

3000

Мин. цена деления Vmin

E макс./10000

Мин. диапазон применения Rmin(LC)

30%

Комбинированная погрешность Fcomb

≤ ± 0,02% Cn

Переменность Fv

≤ ± 0,01% Cn

Возврат нулевого сигнала

≤ ± 0,0167% Cn1)

Погрешность ползучести Fcr

 
  • 30 min

≤ ± 0,0245% Cn1)

  • 20 ... 30 min

≤ ± 0,0053% Cn1)

Температурный коэффициент

 
  • Нулевой сигнал TKo

≤ ± 0,007% Cn/5 K

  • Показатель TKc

≤ ± 0,0045% Cn/5 K

Минимальная предварительная нагрузка Emin

≥ 0% Emax.

Макс. рабочая нагрузка Lu

150% Emax.

Разрушающая нагрузка Ld

300% Emax.

Макс. поперечная нагрузка LIq

100% Emax.

Номинальный измерительный путь hn приEmax.

≤ 0,5 мм

Напряжение питания Usr (эталонное значение)

10 В

Напряжение питания (диапазон)

5 ... 18 В

Номинальный показательCn

2 мВ/В

Допуск показателя Dc

± 1%

Допуск нулевого сигналаDo

≤ ± 1,0% Cn

Входное сопротивлениеRe

350 Ω ± 3,5 Ω

Выходное сопротивлениеRa

350 Ω ± 3,5 Ω

Сопротивление изоляцииRis

≥ 5000 MΩ

Номинальный диапазон температур Btn

-10 ... + 40 °C

Диапазон рабочих температур Btu

-40 ... + 80 °C

Диапазон температур хранения Bts

-40 ... + 90 °C

Материалы чувствительного элемента (DIN)

Нержавеющая сталь, заводской номер 1.4542

Степень защиты по DIN EN 60 529; IEC 60 529

IP66/IP68

Рекомендуемый момент затяжки крепежных винтов

110 Нм (0,5 - 2 т)

540 Нм (5 т)

SC-калибровка током 2)

Стандарт

EEx(i)-сертификация (на выбор)

II 2 G EEx ib IIC T6/T4II 3 G EEx nA / nL IIC T6/T4II 1D / 2D / 3D T 70 °C

Кабельная разводка

 

Принцип действия

Цвет

  • EXC +
  • зеленый
  • EXC -
  • черный
  • SIG +
  • белый
  • SIG -
  • красный
  • Экран (подставка для экрана на корпусе на стадии разработки)
  • прозрачный

1) Для номинальной температуры от -10 до +40 °C.

2) "Калибровка током"; номинальный показатель и выходное сопротивление согласованы таким образом, что выходной ток не выходит за пределы 0,05% от эталонного значения. Это упрощает параллельно подключение нескольких весоизмерительных ячеек.

 


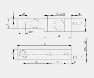
Чертеж

Весоизмерительные ячейки

Номинальная нагрузка

A

B

C

D

E

ØF

G

H

J

ØK

ØL

M

0,5 ... 2 т

203,2

36,5

98,4

63,5

19,1

30,2+0,2

36,5

11,9

47,6

17,5H11

14

101,6

5 т

235,0

47,5

123,8

66,7

20,6

41,3+0,2

47,6

15,8

69,9

25,5H11

22

111,2

Весоизмерительная ячейка SIWAREX R, серия SB, размеры

 


Заказные данные

Цена на сайте указана розничная в ЕВРО без учета НДС.Для уточнения цены и размера предоставляемой скидки - звоните или присылайте заявки

Заказной номерPGОписание продуктаЦена
7MH4105-3KC01817SIWAREX R НАГРУЗОЧНЫЕ ЯЧЕЙКИ СЕРИИ SB - РАСЧЕТНАЯ НАГРУЗКА 500 KG - 5 M КАБЕЛЬ - MAX. 3000 МАСШТАБНЫХ ИНТЕРВАЛОВ - СДЕЛАНО ИЗ НЕРЖАВЕЮЩЕЙ СТАЛИ ДЛЯ ИСПОЛЬЗОВАНИЯ С ПРОМЫШЛЕННЫМИ ВЕСАМИ КЛАССА 3 628.58
7MH4105-3KC11817SIWAREX R НАГРУЗОЧНЫЕ ЯЧЕЙКИ СЕРИИ SB - РАСЧЕТНАЯ НАГРУЗКА 500 KG - 5 M КАБЕЛЬ - MAX. 3000 МАСШТАБНЫХ ИНТЕРВАЛОВ - СДЕЛАНО ИЗ НЕРЖАВЕЮЩЕЙ СТАЛИ - С КЛАССОМ ЗАШИТЫ EEX IB IIC T6 ДЛЯ ИСПОЛЬЗОВАНИЯ С ПРОМЫШЛЕННЫМИ ВЕСАМИ КЛАССА 3 697.48
7MH4105-4AC01817SIWAREX R НАГРУЗОЧНЫЕ ЯЧЕЙКИ СЕРИИ SB - РАСЧЕТНАЯ НАГРУЗКА 1000 KG - 5 M КАБЕЛЬ - MAX. 3000 МАСШТАБНЫХ ИНТЕРВАЛОВ - СДЕЛАНО ИЗ НЕРЖАВЕЮЩЕЙ СТАЛИ ДЛЯ ИСПОЛЬЗОВАНИЯ С ПРОМЫШЛЕННЫМИ ВЕСАМИ КЛАССА 3 628.58
7MH4105-4AC11817SIWAREX R НАГРУЗОЧНЫЕ ЯЧЕЙКИ СЕРИИ SB - РАСЧЕТНАЯ НАГРУЗКА 1000 KG - 5 M КАБЕЛЬ - MAX. 3000 МАСШТАБНЫХ ИНТЕРВАЛОВ - СДЕЛАНО ИЗ НЕРЖАВЕЮЩЕЙ СТАЛИ - С КЛАССОМ ЗАШИТЫ EEX IB IIC T6 ДЛЯ ИСПОЛЬЗОВАНИЯ С ПРОМЫШЛЕННЫМИ ВЕСАМИ КЛАССА 3 697.48
7MH4105-4DC01817SIWAREX R НАГРУЗОЧНЫЕ ЯЧЕЙКИ СЕРИИ SB - РАСЧЕТНАЯ НАГРУЗКА 2000 KG - 5 M КАБЕЛЬ - MAX. 3000 МАСШТАБНЫХ ИНТЕРВАЛОВ - СДЕЛАНО ИЗ НЕРЖАВЕЮЩЕЙ СТАЛИ ДЛЯ ИСПОЛЬЗОВАНИЯ СС ПРОМЫШЛЕННЫМИ ВЕСАМИ КЛАССА 3 676.28
7MH4105-4DC11817SIWAREX R НАГРУЗОЧНЫЕ ЯЧЕЙКИ СЕРИИ SB - РАСЧЕТНАЯ НАГРУЗКА 2000 KG - 5 M КАБЕЛЬ - MAX. 3000 МАСШТАБНЫХ ИНТЕРВАЛОВ - СДЕЛАНО ИЗ НЕРЖАВЕЮЩЕЙ СТАЛИ - С КЛАССОМ ЗАШИТЫ EEX IB IIC T6 ДЛЯ ИСПОЛЬЗОВАНИЯ С ПРОМЫШЛЕННЫМИ ВЕСАМИ КЛАССА 3 747.30
7MH4105-4KC01817SIWAREX R НАГРУЗОЧНЫЕ ЯЧЕЙКИ СЕРИИ SB - РАСЧЕТНАЯ НАГРУЗКА 5000 KG - 5 M КАБЕЛЬ - MAX. 3000 МАСШТАБНЫХ ИНТЕРВАЛОВ - СДЕЛАНО ИЗ НЕРЖАВЕЮЩЕЙ СТАЛИ ДЛЯ ИСПОЛЬЗОВАНИЯ С ПРОМЫШЛЕННЫМИ ВЕСАМИ КЛАССА 3 868.14
7MH4105-4KC11817SIWAREX R НАГРУЗОЧНЫЕ ЯЧЕЙКИ СЕРИИ SB - РАСЧЕТНАЯ НАГРУЗКА 5000 KG - 5 M КАБЕЛЬ - MAX. 3000 МАСШТАБНЫХ ИНТЕРВАЛОВ - СДЕЛАНО ИЗ НЕРЖАВЕЮЩЕЙ СТАЛИ - С КЛАССОМ ЗАШИТЫ EEX IB IIC T6 ДЛЯ ИСПОЛЬЗОВАНИЯ С ПРОМЫШЛЕННЫМИ ВЕСАМИ КЛАССА 3 937.04

 


Аксессуары

Цена на сайте указана розничная в ЕВРО без учета НДС.Для уточнения цены и размера предоставляемой скидки - звоните или присылайте заявки

Заказной номерPGОписание продуктаЦена
7MH3701-1AA1815ЗАЗЕМЛЯЮЩИЙ КАБЕЛЬ, ДЛИНА 400 MM 38.16
7MH4710-2AA815КОРОБКА ДЛЯ УДЛИНЕНИЯ КАБЕЛЯ 4- ИЛИ 6-ПРОВОДНОГО, ЗАЩИТА IP66, РАЗМЕРЫ 80X75X57 MM. ВНИМАНИЕ: ЕСЛИ КАБЕЛЬ ОТ ТЕНЗОДАТЧКИОВ БУДЕТ УДЛИНЕН С ПОМОЩЬЮ SIWAREX- СИГНАЛЬНОГО КАБЕЛЯ И ЕСЛИ НЕСКОЛЬКОN IN EINE M SIWAREX ANSCHLUSSKASTEN PARAL LEL GESCHALTET MUESSEN DIE KABE LVERSCHRAUBUNGEN M16X1.5 DURCH M20X1.5 ERSETZT WERDEN. ES WIRD PRO ANZUSCHLIESSENDE WAEGEZELLE BENOETIGT: 1XEMV-KABELVERSCHRAU BUNG M20X1.... 77.38