0

Разделы

Весоизмерительные ячейки

Весоизмерительная ячейка, действующая на усилие сжатия, для эксплуатации в резервуарных, бункерных и автомобильных весах.

 


Дизайн

Весоизмерительные ячейки

В качестве измерительных элементов используются четыре квадратных стойки из нержавеющей стали, на которых закреплены по четыре расширяющихся измерительных полоски (DMS).

За счет центрического воздействия нагрузки в измерительном направлении пружинное тело и связанные с ним DMS эластично деформируются. При этом вырабатывается измерительное напряжение, пропорциональное нагрузке.

 


Технические данные

Весоизмерительные ячейки

Весоизмерительные ячейки SIWAREX R, серия CC

возм. области применения: Резервуарные, бункерные, автомобильные весы

Конструктивное исполнение

Сила сжатия

Сила сжатия

Ном. нагрузка/макс. нагрузкаEмакс.

10/25/40/60 т

100 т

класс точности по OIML R60

C3

C1

Макс. цена деления nLC

3000

1000

Мин. цена деления Vмин

E макс./12500

E макс./10000

Мин. диапазон применения Rмин(LC)

24%

10%

Комбинированная погрешность Fcomb

≤ ± 0,02% Cn

≤ ± 0,03% Cn

Переменность Fv

≤ ± 0,01% Cn

≤ ± 0,02% Cn

Возврат нулевого сигнала

≤ ± 0,0167% Cn1)

≤ ± 0,05% Cn1)

Погрешность ползучести Fcr

 

 

  • 30 мин

≤ ± 0,0245% Cn1)

≤ ± 0,049% Cn1)

  • 20 ... 30 мин

≤ ± 0,0053% Cn1)

≤ ± 0,0105% Cn1)

Температурный коэффициент

 

 

  • Нулевой сигнал TKo

≤ ± 0,0056% Cn/5 K

≤ ± 0,007% Cn/5 K

  • Показатель TKc

≤ ± 0,0045% Cn/5 K

≤ ± 0,0085% Cn/5 K

Минимальная предварительная нагрузка Eмин

≥ 0% Eмакс.

≥ 0% Eмакс.

Макс. рабочая нагрузка Lu

150% Eмакс.

150% Eмакс.

Разрушающая нагрузка Ld

400% Eмакс.

400% Eмакс.

Макс. поперечная нагрузка LIq

10% Eмакс.

10% Eмакс.

Номинальный измерительный путь hn приEмакс.

макс. 0,36 мм

макс. 0,36 мм

Напряжение питания Usr (эталонное значение)

10 В

10 В

Напряжение питания (диапазон)

5 ... 25 В

5 ... 25 В

Номинальный показательCn

2 мВ/В

2 мВ/В

Допуск показателя Dc

± 1%

± 1%

Допуск нулевого сигналаDo

≤ ± 1,0% Cn

≤ ± 1,0% Cn

Входное сопротивлениеRe

450 Ω ± 4,5 Ω

450 Ω ± 4,5 Ω

Выходное сопротивлениеRa

480 Ω ± 4,8 Ω

480 Ω ± 4,8 Ω

Сопротивление изоляцииRis

≥ 5000 MΩ

≥ 5000 MΩ

Номинальный диапазон температур Btn

-10 ... + 40 °C

-10 ... + 40 °C

Диапазон рабочих температур Btu

-40 ... + 80 °C

-40 ... + 80 °C

Диапазон температур хранения Bts

-40 ... + 90 °C

-40 ... + 90 °C

Материалы чувствительного элемента (DIN)

Нержавеющая сталь, заводской номер 1.4542

Нержавеющая сталь, заводской номер 1.4542

Степень защиты по DIN EN 60 529; IEC 60 529

IP66/IP68

IP66/IP68

SC-калибровка током 2)

Стандарт

Стандарт

Eex(i)-сертификация (на выбор)

II 2 G EEx ib IIC T6/T4II 3 G EEx nA / nL IIC T6/T4II 1D / 2D / 3D T 70 °C

II 2 G EEx ib IIC T6/T4II 3 G EEx nA / nL IIC T6/T4II 1D / 2D / 3D T 70 °C

Кабельная разводка

 

Принцип действия

Цвет

  • EXC + (питание +)
  • зеленый
  • EXC - (питание -)
  • черный
  • SIG + (измерительный сигнал +)
  • белый
  • SIG - (измерительный сигнал -)
  • красный
  • Экран (подставка для экрана на корпусе на стадии разработки)
  • прозрачный

1) Для номинальной температуры от -10 до +40 °C.

2) "Калибровка током"; номинальный показатель и выходное сопротивление согласованы таким образом, что выходной ток не выходит за пределы 0,05% от эталонного значения. Это упрощает параллельно подключение нескольких весоизмерительных ячеек.

 


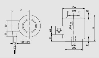
Чертеж

Весоизмерительные ячейки

Номинальная нагрузка

ØA

B

C

ØD

E

F

G

ØH

J

R шарика

10 т, 25 т

73,0

82,5

12,0

58,0

6,5

1,8

64,0

31,8

M12x1,75 глубина 11

152

40 т, 60 т

105,0

127,0

34,0

82,5

8,0

11,0

87,5

58,7

M20x2,5 глубина 20

152

100 т

152,4

184,2

72,3

123,8

23,6

21,8

108,2

79,2

M20x2,5 глубина 20

432

Весоизмерительная ячейка SIWAREX R, серия CC, размеры

 


Заказные данные

Цена на сайте указана розничная в ЕВРО без учета НДС.Для уточнения цены и размера предоставляемой скидки - звоните или присылайте заявки

Заказной номерPGОписание продуктаЦена
7MH4106-5AC01817SIWAREX R НАГРУЗОЧНЫЕ ЯЧЕЙКИ СЕРИИ CC - РАСЧЕТНАЯ НАГРУЗКА 10 T - 10 M КАБЕЛЬ - MAX. 3000 МАСШТАБНЫХ ИНТЕРВАЛОВ - СДЕЛАНО ИЗ НЕРЖАВЕЮЩЕЙ СТАЛИ ДЛЯ ИСПОЛЬЗОВАНИЯ С ПРОМЫШЛЕННЫМИ ВЕСАМИ КЛАССА 3 1322.88
7MH4106-5AC11817SIWAREX R НАГРУЗОЧНЫЕ ЯЧЕЙКИ СЕРИИ CC - РАСЧЕТНАЯ НАГРУЗКА 10 T - 10 M КАБЕЛЬ - MAX. 3000 МАСШТАБНЫХ ИНТЕРВАЛОВ - СДЕЛАНО ИЗ НЕРЖАВЕЮЩЕЙ СТАЛИ - С КЛАССОМ ЗАШИТЫ EEX IB IIC T6 ДЛЯ ИСПОЛЬЗОВАНИЯ С ПРОМЫШЛЕННЫМИ ВЕСАМИ КЛАССА 3 1397.08
7MH4106-5EC01817SIWAREX R НАГРУЗОЧНЫЕ ЯЧЕЙКИ СЕРИИ CC - РАСЧЕТНАЯ НАГРУЗКА 25 T - 20 M КАБЕЛЬ - MAX. 3000 МАСШТАБНЫХ ИНТЕРВАЛОВ - СДЕЛАНО ИЗ НЕРЖАВЕЮЩЕЙ СТАЛИ ДЛЯ ИСПОЛЬЗОВАНИЯ С ПРОМЫШЛЕННЫМИ ВЕСАМИ КЛАССА 3 1322.88
7MH4106-5EC11817SIWAREX R НАГРУЗОЧНЫЕ ЯЧЕЙКИ СЕРИИ CC - РАСЧЕТНАЯ НАГРУЗКА 25 T - 20 M КАБЕЛЬ - MAX. 3000 МАСШТАБНЫХ ИНТЕРВАЛОВ - СДЕЛАНО ИЗ НЕРЖАВЕЮЩЕЙ СТАЛИ - С КЛАССОМ ЗАШИТЫ EEX IB IIC T6 ДЛЯ ИСПОЛЬЗОВАНИЯ С ПРОМЫШЛЕННЫМИ ВЕСАМИ КЛАССА 3 1397.08
7MH4106-5HC01817SIWAREX R НАГРУЗОЧНЫЕ ЯЧЕЙКИ СЕРИИ CC - РАСЧЕТНАЯ НАГРУЗКА 40 T - 20 M КАБЕЛЬ - MAX. 3000 МАСШТАБНЫХ ИНТЕРВАЛОВ - СДЕЛАНО ИЗ НЕРЖАВЕЮЩЕЙ СТАЛИ ДЛЯ ИСПОЛЬЗОВАНИЯ С ПРОМЫШЛЕННЫМИ ВЕСАМИ КЛАССА 3 1322.88
7MH4106-5HC11817SIWAREX R НАГРУЗОЧНЫЕ ЯЧЕЙКИ СЕРИИ CC - РАСЧЕТНАЯ НАГРУЗКА 40 T - 20 M КАБЕЛЬ - MAX. 3000 МАСШТАБНЫХ ИНТЕРВАЛОВ - СДЕЛАНО ИЗ НЕРЖАВЕЮЩЕЙ СТАЛИ - С КЛАССОМ ЗАШИТЫ EEX IB IIC T6 ДЛЯ ИСПОЛЬЗОВАНИЯ С ПРОМЫШЛЕННЫМИ ВЕСАМИ КЛАССА 3 1397.08
7MH4106-5LC01817SIWAREX R НАГРУЗОЧНЫЕ ЯЧЕЙКИ СЕРИИ CC - РАСЧЕТНАЯ НАГРУЗКА 60 T - 20 M КАБЕЛЬ - MAX. 3000 МАСШТАБНЫХ ИНТЕРВАЛОВ - СДЕЛАНО ИЗ НЕРЖАВЕЮЩЕЙ СТАЛИ ДЛЯ ИСПОЛЬЗОВАНИЯ С ПРОМЫШЛЕННЫМИ ВЕСАМИ КЛАССА 3 1335.60
7MH4106-5LC11817SIWAREX R НАГРУЗОЧНЫЕ ЯЧЕЙКИ СЕРИИ CC - РАСЧЕТНАЯ НАГРУЗКА 60 T - 20 M КАБЕЛЬ - MAX. 3000 МАСШТАБНЫХ ИНТЕРВАЛОВ - СДЕЛАНО ИЗ НЕРЖАВЕЮЩЕЙ СТАЛИ - С КЛАССОМ ЗАШИТЫ EEX IB IIC T6 ДЛЯ ИСПОЛЬЗОВАНИЯ С ПРОМЫШЛЕННЫМИ ВЕСАМИ КЛАССА 3 1422.52
7MH4106-6AA01817SIWAREX R НАГРУЗОЧНЫЕ ЯЧЕЙКИ СЕРИИ CC - РАСЧЕТНАЯ НАГРУЗКА 100 T - 20 M КАБЕЛЬ - СДЕЛАНО ИЗ НЕРЖАВЕЮЩЕЙ СТАЛИ ДЛЯ ИСПОЛЬЗОВАНИЯ С ПРОМЫШЛЕННЫМИ ВЕСАМИ КЛАССА 3 2340.48
7MH4106-6AA11817SIWAREX R НАГРУЗОЧНЫЕ ЯЧЕЙКИ СЕРИИ CC - РАСЧЕТНАЯ НАГРУЗКА 100 T - 20 M КАБЕЛЬ - СДЕЛАНО ИЗ НЕРЖАВЕЮЩЕЙ СТАЛИ - С КЛАССОМ ЗАШИТЫ EEX IB IIC T6 ДЛЯ ИСПОЛЬЗОВАНИЯ С ПРОМЫШЛЕННЫМИ ВЕСАМИ КЛАССА 3 2443.30

 


Аксессуары

Цена на сайте указана розничная в ЕВРО без учета НДС.Для уточнения цены и размера предоставляемой скидки - звоните или присылайте заявки

Заказной номерPGОписание продуктаЦена
7MH3701-1AA1815ЗАЗЕМЛЯЮЩИЙ КАБЕЛЬ, ДЛИНА 400 MM 38.16
7MH4710-2AA815КОРОБКА ДЛЯ УДЛИНЕНИЯ КАБЕЛЯ 4- ИЛИ 6-ПРОВОДНОГО, ЗАЩИТА IP66, РАЗМЕРЫ 80X75X57 MM. ВНИМАНИЕ: ЕСЛИ КАБЕЛЬ ОТ ТЕНЗОДАТЧКИОВ БУДЕТ УДЛИНЕН С ПОМОЩЬЮ SIWAREX- СИГНАЛЬНОГО КАБЕЛЯ И ЕСЛИ НЕСКОЛЬКОN IN EINE M SIWAREX ANSCHLUSSKASTEN PARAL LEL GESCHALTET MUESSEN DIE KABE LVERSCHRAUBUNGEN M16X1.5 DURCH M20X1.5 ERSETZT WERDEN. ES WIRD PRO ANZUSCHLIESSENDE WAEGEZELLE BENOETIGT: 1XEMV-KABELVERSCHRAU BUNG M20X1.... 77.38