0

Разделы

Весоизмерительные ячейки

Весоизмерительная ячейка, действующая на усилие сжатия, для эксплуатации в резервуарных и бункерных весах.

 


Дизайн

Весоизмерительные ячейки

Измерительный элемент представляет собой сплошной цилиндр нержавеющей стали, на которой расположены 4 расширительных измерительных полоски (DMS).

За счет центрического воздействия нагрузки в измерительном направлении пружинное тело и связанные с ним DMS эластично деформируются. При этом вырабатывается измерительное напряжение, пропорциональное нагрузке.

Номинальный измерительный путь ячейки зависит от номинальной нагрузки и находится в диапазоне от 0,23 до 2,67 мм.

 


Технические данные

Весоизмерительные ячейки

Весоизмерительные ячейки SIWAREX R, серия К

возм. области применения

Резервуарные, бункерные весы

Конструктивное исполнение

Сила сжатия

Ном. нагрузка/макс. нагрузкаEmax.

2,8/6/13/28/60/130/280 т

Класс точности

0,1%

Комбинированная погрешность Fcomb

< 0,1% Cn

Температурный коэффициент

 
  • Нулевой сигнал TKo

≤ ± 0,25% Cn/5 K

  • Показатель TKc

≤ ± 0,25% Cn/5 K

Минимальная предварительная нагрузка Emin

≤ 0% Emax.

Макс. рабочая нагрузка Lu

120% Emax.

Разрушающая нагрузка Ld

300% Emax.

Макс. поперечная нагрузка LIq

10% Emax.

Номинальный измерительный путь hn приEmax.

0,23 ... 2,67 мм

Защита от перегрузки

Напряжение питания Usr (эталонное значение)

6 В

Напряжение питания (диапазон)

6 ... 12 В

Номинальный показательCn

1,5 мВ/В

Допуск показателя Dc

± 0,5%

Допуск нулевого сигналаDo

≤ ± 1,5% Cn

Входное сопротивлениеRe

около 275 Ω

Выходное сопротивлениеRa

245 Ω ± 0,2 Ω

Сопротивление изоляцииRis

≥ 20 MΩ

Номинальный диапазон температур Btn

-10 ... + 60 °C

Диапазон рабочих температур Btu

-20 ... + 70 °C

Диапазон температур хранения Bts

-30 ... + 80 °C

Материалы чувствительного элемента (DIN)

Сталь, окрашенная

Степень защиты по DIN EN 60 529; IEC 60 529

IP65

Кабельная разводка

 

Принцип действия

Цвет

  • EXC +
  • красный
  • EXC -
  • белый
  • SIG +
  • черный
  • SIG -
  • синий
  • Экран
  • прозрачный

 


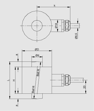
Чертеж

Весоизмерительные ячейки

Номинальная нагрузка

а

Ød

ØD

H

k

L

R

2,8 т, 6 т

8

16,7

45

40

54

56

50

13 т

12

24,5

55

44

59

68

66

28 т

14

36

64

46

63,5

74

72

60 кг

20

52,7

90

50

76,5

90

100

130 т

26

77,5

121

64

92

116

125

280 т

45

114

165

80

114

170

183

Весоизмерительная ячейка SIWAREX R, серия К, размеры

 


Аксессуары

Цена на сайте указана розничная в ЕВРО без учета НДС.Для уточнения цены и размера предоставляемой скидки - звоните или присылайте заявки

Заказной номерPGОписание продуктаЦена
7MH3701-1AA1815ЗАЗЕМЛЯЮЩИЙ КАБЕЛЬ, ДЛИНА 400 MM 38.16
7MH4710-2AA815КОРОБКА ДЛЯ УДЛИНЕНИЯ КАБЕЛЯ 4- ИЛИ 6-ПРОВОДНОГО, ЗАЩИТА IP66, РАЗМЕРЫ 80X75X57 MM. ВНИМАНИЕ: ЕСЛИ КАБЕЛЬ ОТ ТЕНЗОДАТЧКИОВ БУДЕТ УДЛИНЕН С ПОМОЩЬЮ SIWAREX- СИГНАЛЬНОГО КАБЕЛЯ И ЕСЛИ НЕСКОЛЬКОN IN EINE M SIWAREX ANSCHLUSSKASTEN PARAL LEL GESCHALTET MUESSEN DIE KABE LVERSCHRAUBUNGEN M16X1.5 DURCH M20X1.5 ERSETZT WERDEN. ES WIRD PRO ANZUSCHLIESSENDE WAEGEZELLE BENOETIGT: 1XEMV-KABELVERSCHRAU BUNG M20X1.... 77.38