0

Разделы

Фланцевые регулирующие клапаны


grey line

VG8300N

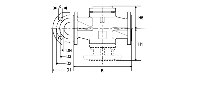
DN40...150, PN16


Серия разгруженных клапанов, предназначенных для регулирования расхода воды и пара по управляющим сигналам контроллера в системах вентиляции, кондиционирования воздуха и отопления.

Клапаны оснащены специальной вставкой, которая, уравновешивая входное и выходное давления, позволяет при использовании стандартных приводов увеличить давление в закрытом состоянии.


Клапаны VG8300N работают с различными электрическими и пневматическими приводами.

 

VG8300N


• Корпус из зернистого чугуна
• Коэффициент расхода Kvs = 25-350
• 2-ходовые клапаны PDTС (нормально открытые)
• PN16
• Температура теплоносителя от 2 до 180 °С.
  - с глицериновым сальником: от -10 до 180 °С
• Клапан, сбалансированный по давлению с помощью вставки
• Фланцы DIN


plan