МЭК 60947-4-1, EN 60947-4-1, для требований согласно МЭК 60077-1 и МЭК 60077-2.
Контакторные реле, имеют защиту от прикосновения к токоведущим частям согласно EN 50274. Контакторные реле типоразмера S00 имеют пружинный тип присоединения для всех зажимов.
Допустимая температура окружающей среды для работы контакторных реле (промежуточных реле) (для полного рабочего диапазона катушки) от -40 °C до +70 °C.
Непрерывный режим работы при температуре > +60 °C приводит к снижению механического ресурса, токопропускной способности токопроводящих частей и допустимой частоты коммутаций.
Катушки электромагнитов контакторных реле имеют расширенный рабочий диапазон - от 0.7 до 1.25 x Us и стандартно установленные помехоподавляющие диоды, обеспечивающие защиту от коммутационных перенапряжений. Это увеличивает время размыкания от 2 до 5 мс по сравнению с обычными контакторами.
Контакторы предназначены для работы в электроустановках, которые подвержены значительным колебаниям напряжения управления и высокой температуре окружающей среды, например, на железнодорожном транспорте, в экстремальных климатических условиях, на прокатных станах и т.д.
Также для контроля напряжения питания аккумуляторных батарей с целью продления времени работы, если заряд батареи не представляется возможным.
Цепи управления и вспомогательные
Эти контакторные реле имеют расширенный рабочий диапазон от 0.7 до 1.25 x Us; Катушки стандартно снабжаются помехоподавляющими диодами. Дополнительный последовательный резистор не требуется.
Примечание:
Дополнительный блок вспомогательных выключателей не требуется.
Установка рядом друг с другом
При температуре > 60 °C ≤ 70 °C для установки рядом друг с другом требуется обеспечить зазор между контакторами 10 мм.
Цепи управления и вспомогательные
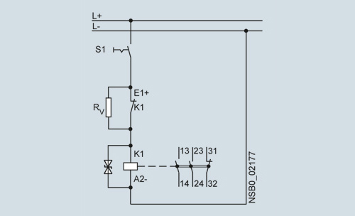
Контакторные реле с магнитной системой постоянного тока модифицируются посредством включения последовательного резистора.
Контакторные реле типоразмера S00 поставляются предварительно соединенными с втычным модулем, содержащим последовательный резистор. Помехоподавляющий диод также интегрирован. 4-полюсный блок вспомогательных контактов (в соответствии с EN 50005) может быть установлен дополнительно.
Установка рядом друг с другом
Если температура окружающей среды не превышает 70°C, контакторные реле типоразмера S00 допускают установку рядом друг с другом.
Цена на сайте указана розничная в ЕВРО без учета НДС.Для уточнения цены и размера предоставляемой скидки - звоните или присылайте заявки
| Заказной номер | PG | Описание продукта | Цена |
| 3RH2122-1KF40 | 41A | СОГЛАСУЮЩИЙ ВСПОМОГАТЕЛЬНЫЙ КОНТАКТОР, КОНТАКТЫ 2НО+2НЗ, НОМИНАЛЬНОЕ ПИТАЮЩЕЕ НАПРЯЖЕНИЕ ЦЕПИ УПРАВЛЕНИЯ US DC 110V, 0.7...1.25*US, С ВАРИСТОРОМ, ТИПОРАЗМЕР S00, ВИНТОВЫЕ КЛЕММЫ | 46.00 |
| 3RH2122-1KF40-0LA4 | 41A | СОГЛАСУЮЩИЙ ВСПОМОГАТЕЛЬНЫЙ КОНТАКТОР, 2NO+1NC, DC 110V, 0.7..1.25*US, W/ INTEGRATED SUPPRESSOR DIODE, ТИПОРАЗМЕР S00, ВИНТОВЫЕ КЛЕММЫ, OPTIMIZED MOUNTING (20G) | 73.83 |
| 3RH2122-1KG40-0LA4 | 41A | СОГЛАСУЮЩИЙ ВСПОМОГАТЕЛЬНЫЙ КОНТАКТОР, 2NO+1NC, DC 125V, 0.7..1.25*US, W/ INTEGRATED SUPPRESSOR DIODE, ТИПОРАЗМЕР S00, ВИНТОВЫЕ КЛЕММЫ, OPTIMIZED MOUNTING (20G) | 73.83 |
| 3RH2122-1KM40-0LA4 | 41A | СОГЛАСУЮЩИЙ ВСПОМОГАТЕЛЬНЫЙ КОНТАКТОР, 2NC+1NC, DC 220V, 0.7..1.25*US, W/ INTEGRATED SUPPRESSOR DIODE, ТИПОРАЗМЕР S00, ВИНТОВЫЕ КЛЕММЫ, OPTIMIZED MOUNTING (20G) | 73.83 |
| 3RH2122-2KB40 | 41A | СОГЛАСУЮЩИЙ ВСПОМОГАТЕЛЬНЫЙ КОНТАКТОР, КОНТАКТЫ 2НО+2НЗ, НОМИНАЛЬНОЕ ПИТАЮЩЕЕ НАПРЯЖЕНИЕ ЦЕПИ УПРАВЛЕНИЯ US 24В DC, 0.7...1.25*US, С ВАРИСТОРОМ, ТИПОРАЗМЕР S00, ПРУЖИННЫЕ КЛЕММЫ | 46.23 |
| 3RH2122-2KB40-0LA0 | 41A | ВСПОМОГАТЕЛЬНЫЙ КОНТАКТОР ДЛЯ ПРИМЕНЕНИЯ НА Ж.Д., КОНТАКТЫ 2НО+2НЗ, НОМИНАЛЬНОЕ ПИТАЮЩЕЕ НАПРЯЖЕНИЕ ЦЕПИ УПРАВЛЕНИЯ US НОМИНАЛЬНОЕ НАПРЯЖЕНИЕ ЦЕПИ УПРАВЛЕНИЯ 24В DC, 0,7... 1,25*US, СО ВСТРОЕННЫМ ОГРАНИЧИВАЮЩИМ ДИОДОМ, 3-ПОЛ., ТИПОРАЗМЕР S00, ПРУЖИННЫЕ КЛЕММЫ | 70.73 |
| 3RH2122-2KF40 | 41A | СОГЛАСУЮЩИЙ ВСПОМОГАТЕЛЬНЫЙ КОНТАКТОР, КОНТАКТЫ 2НО+2НЗ, НОМИНАЛЬНОЕ ПИТАЮЩЕЕ НАПРЯЖЕНИЕ ЦЕПИ УПРАВЛЕНИЯ US DC 110V, 0.7...1.25*US, С ВАРИСТОРОМ, ТИПОРАЗМЕР S00, ПРУЖИННЫЕ КЛЕММЫ | 46.23 |
| 3RH2122-2KF40-0LA0 | 41A | ВСПОМОГАТЕЛЬНЫЙ КОНТАКТОР ДЛЯ ПРИМЕНЕНИЯ НА Ж.Д.,КОНТАКТЫ 2НО+2НЗ DC 110V, 0,7...1,25*US, СО ВСТРОЕННЫМ ОГРАНИЧИВАЮЩИМ ДИОДОМ, 3-ПОЛ., ТИПОРАЗМЕР S00, ПРУЖИННЫЕ КЛЕММЫ | 70.73 |
| 3RH2122-2KG40-0LA4 | 41A | СОГЛАСУЮЩИЙ ВСПОМОГАТЕЛЬНЫЙ КОНТАКТОР, 2NO+1NC, DC 125V, 0.7..1.25*US, W/ INTEGRATED SUPPRESSOR DIODE, ТИПОРАЗМЕР S00, SPRING-LOADED TERMINAL, OPTIMIZED MOUNTING (20G) | 71.99 |
| 3RH2122-2KJ80 | 41A | СОГЛАСУЮЩИЙ ВСПОМОГАТЕЛЬНЫЙ КОНТАКТОР, КОНТАКТЫ 2НО+2НЗ DC 110V, 0.7...1.25*US, W. PLUGGED-ON SUPP.DIODE ТИПОРАЗМЕР S00, SPRING-LOADED TERMINAL | 46.23 |
| 3RH2122-2KJ80-0LA0 | 41A | CONTACT.RELAY F. RAILW., КОНТАКТЫ 2НО+2НЗ DC 110V, 0.7.. .1.25*US, W.SUPPRESSORDIODE INTEGRATED, ТИПОРАЗМЕР S00, SPRING-TYPE TERM. | 70.73 |
| 3RH2122-2LB40 | 41A | СОГЛАСУЮЩИЙ ВСПОМОГАТЕЛЬНЫЙ КОНТАКТОР, КОНТАКТЫ 2НО+2НЗ, НОМИНАЛЬНОЕ ПИТАЮЩЕЕ НАПРЯЖЕНИЕ ЦЕПИ УПРАВЛЕНИЯ US 24В DC, 0.7...1.25*US, С ВАРИСТОРОМ, ТИПОРАЗМЕР S00, ПРУЖИННЫЕ КЛЕММЫ | 46.23 |
| 3RH2122-2LB40-0LA0 | 41A | ВСПОМОГАТЕЛЬНЫЙ КОНТАКТОР ДЛЯ ПРИМЕНЕНИЯ НА Ж.Д., КОНТАКТЫ 2НО+2НЗ, НОМИНАЛЬНОЕ ПИТАЮЩЕЕ НАПРЯЖЕНИЕ ЦЕПИ УПРАВЛЕНИЯ US НОМИНАЛЬНОЕ НАПРЯЖЕНИЕ ЦЕПИ УПРАВЛЕНИЯ 24В DC, 0,7... 1,25*US, СО ВСТРОЕННЫМ ОГРАНИЧИВАЮЩИМ ДИОДОМ, 3-ПОЛ., ТИПОРАЗМЕР S00, ПРУЖИННЫЕ КЛЕММЫ | 70.73 |
| 3RH2122-2LF40 | 41A | СОГЛАСУЮЩИЙ ВСПОМОГАТЕЛЬНЫЙ КОНТАКТОР, КОНТАКТЫ 2НО+2НЗ, НОМИНАЛЬНОЕ ПИТАЮЩЕЕ НАПРЯЖЕНИЕ ЦЕПИ УПРАВЛЕНИЯ US DC 110V, 0.7...1.25*US, С ВАРИСТОРОМ, ТИПОРАЗМЕР S00, ПРУЖИННЫЕ КЛЕММЫ | 46.23 |
| 3RH2122-2LF40-0LA0 | 41A | ВСПОМОГАТЕЛЬНЫЙ КОНТАКТОР ДЛЯ ПРИМЕНЕНИЯ НА Ж.Д.,КОНТАКТЫ 2НО+2НЗ DC 110V, 0,7...1,25*US, СО ВСТРОЕННЫМ ОГРАНИЧИВАЮЩИМ ДИОДОМ, 3-ПОЛ., ТИПОРАЗМЕР S00, ПРУЖИННЫЕ КЛЕММЫ | 70.73 |
| 3RH2122-2LF40-1AA0 | 41A | СОГЛАСУЮЩИЙ ВСПОМОГАТЕЛЬНЫЙ КОНТАКТОР, КОНТАКТЫ 2НО+2НЗ, DC 110V, 0.7..1.25*US, W/VARISTOR INTEGRATED, ТИПОРАЗМЕР S00, SPRING-LOADED TERMINAL FOR STANDING MOUNTING POSITION | 55.66 |
| 3RH2122-2LF40-1LA0 | 41A | ВСПОМОГАТЕЛЬНЫЙ КОНТАКТОР FOR RAILWAY, 2NO+1NC, DC 110V, 0,7. .1,25*US, W/VARISTOR INTEGRATED, 3-POLE, ТИПОРАЗМЕР S00, SPRING-LOADED TERMINAL FOR STANDING MOUNTING POSITION | 80.16 |
| 3RH2122-2LJ80 | 41A | СОГЛАСУЮЩИЙ ВСПОМОГАТЕЛЬНЫЙ КОНТАКТОР, КОНТАКТЫ 2НО+2НЗ, DC 72V, 0.7...1.25*US, W/VARISTOR INTEGRATED, ТИПОРАЗМЕР S00, SPRING-LOADED TERMINAL | 46.23 |
| 3RH2122-2LJ80-0LA0 | 41A | ВСПОМОГАТЕЛЬНЫЙ КОНТАКТОР FOR RAILWAY, 2NO+1NC, DC 72V, 0,7.. .1,25*US, W/VARISTOR INTEGRATED, 3-POLE, ТИПОРАЗМЕР S00, SPRING-LOADED TERMINAL | 70.73 |
| 3RH2122-4KB40 | 41A | KOPPELВСПОМОГАТЕЛЬНЫЙ КОНТАКТОР, 2S+2OE, НОМИНАЛЬНОЕ НАПРЯЖЕНИЕ ЦЕПИ УПРАВЛЕНИЯ 24В DC, 0,7...1,25*US, M. SUPPRESSORDIODE INTEGRIERT, BGR. S00, FEDERZUGANSCHLUSS | 46.00 |
| 3RH2122-4KB40-0LA0 | 41A | ВСПОМОГАТЕЛЬНЫЙ КОНТАКТОР FUER BAHN, 2S+1OE, НОМИНАЛЬНОЕ НАПРЯЖЕНИЕ ЦЕПИ УПРАВЛЕНИЯ 24В DC, 0,7...1,25*US, M. SUPPRESSORDIODE INTEGRIERT, BGR. S00, FEDERZUGANSCHLUSS | 72.45 |
| 3RH2122-4LB40 | 41A | СОГЛАСУЮЩИЙ ВСПОМОГАТЕЛЬНЫЙ КОНТАКТОР, КОНТАКТЫ 2НО+2НЗ, НОМИНАЛЬНОЕ НАПРЯЖЕНИЕ ЦЕПИ УПРАВЛЕНИЯ 24В DC, 0.7... 1.25*US, W/VARISTOR INTEGRATED, | 47.38 |
| 3RH2122-4LB40-0LA0 | 41A | ВСПОМОГАТЕЛЬНЫЙ КОНТАКТОР FOR RAILWAY, 2NO+1NC, НОМИНАЛЬНОЕ НАПРЯЖЕНИЕ ЦЕПИ УПРАВЛЕНИЯ 24В DC, 0,7...1,25*US, W/VARISTOR INTEGRATED, 3-POLE, ТИПОРАЗМЕР S00,RINGCABLE LUG CONNECTION | 72.45 |
| 3RH2131-1KF40 | 41A | СОГЛАСУЮЩИЙ ВСПОМОГАТЕЛЬНЫЙ КОНТАКТОР, 3НО+1НЗ, НОМИНАЛЬНОЕ ПИТАЮЩЕЕ НАПРЯЖЕНИЕ ЦЕПИ УПРАВЛЕНИЯ US DC 110V, 0.7...1.25*US, С ВАРИСТОРОМ, ТИПОРАЗМЕР S00, ВИНТОВЫЕ КЛЕММЫ | 46.00 |
| 3RH2131-1KG40-0LA4 | 41A | СОГЛАСУЮЩИЙ ВСПОМОГАТЕЛЬНЫЙ КОНТАКТОР, 3NO, DC 125V, 0.7.. 1.25*US, W/ INTEGRATED SUPPRESSOR DIODE, ТИПОРАЗМЕР S00, ВИНТОВЫЕ КЛЕММЫ OPTIMIZED MOUNTING (20G) | 73.83 |
| 3RH2131-2KF40 | 41A | СОГЛАСУЮЩИЙ ВСПОМОГАТЕЛЬНЫЙ КОНТАКТОР, 3НО+1НЗ, НОМИНАЛЬНОЕ ПИТАЮЩЕЕ НАПРЯЖЕНИЕ ЦЕПИ УПРАВЛЕНИЯ US DC 110V, 0.7...1.25*US, С ВАРИСТОРОМ, ТИПОРАЗМЕР S00, ПРУЖИННЫЕ КЛЕММЫ | 46.23 |
| 3RH2131-2KF40-0LA0 | 41A | ВСПОМОГАТЕЛЬНЫЙ КОНТАКТОР FOR RAILWAY, 3NO, DC 110V, 0.7.. 1.25*US, W/ INTEGRATED SUPPRESSOR DIODE, ТИПОРАЗМЕР S00, SPRING-LOADED TERMINAL | 70.73 |
| 3RH2131-2LB40 | 41A | ВСПОМОГАТЕЛЬНЫЙ КОНТАКТОР, 3NO+1НЗ НОМИНАЛЬНОЕ НАПРЯЖЕНИЕ ЦЕПИ УПРАВЛЕНИЯ 24В DC, 0.7... 1.25*US, INTEGRATED W. VARISTOR, ТИПОРАЗМЕР S00, SPRING-LOADED TERMINAL | 46.23 |
| 3RH2131-2LF40 | 41A | ВСПОМОГАТЕЛЬНЫЙ КОНТАКТОР, 3NO+1НЗ DC 110V, 0.7...1.25*US, W. INTEGRATED VARISTOR, ТИПОРАЗМЕР S00, SPRING-LOADED TERMINAL | 46.23 |
| 3RH2131-2LF40-0LA0 | 41A | ВСПОМОГАТЕЛЬНЫЙ КОНТАКТОР FOR RAILWAY, 3NO, DC 110V, 0,7.. 1,25*US, W/VARISTOR INTEGRATED, 3-POLE, ТИПОРАЗМЕР S00, SPRING-LOADED TERMINAL | 70.73 |
| 3RH2140-1KF40 | 41A | СОГЛАСУЮЩИЙ ВСПОМОГАТЕЛЬНЫЙ КОНТАКТОР, КОНТАКТЫ 4НО, DC 110V, 0.7...1.25*US, С ВАРИСТОРОМ, ТИПОРАЗМЕР S00, ВИНТОВЫЕ КЛЕММЫ | 46.00 |
| 3RH2140-2KF40 | 41A | СОГЛАСУЮЩИЙ ВСПОМОГАТЕЛЬНЫЙ КОНТАКТОР, КОНТАКТЫ 4НО, DC 110V, 0.7...1.25*US, С ВАРИСТОРОМ, ТИПОРАЗМЕР S00, ПРУЖИННЫЕ КЛЕММЫ | 46.23 |
| 3RH2140-2LB40 | 41A | ВСПОМОГАТЕЛЬНЫЙ КОНТАКТОР,4NO, INTEGVARIST НОМИНАЛЬНОЕ НАПРЯЖЕНИЕ ЦЕПИ УПРАВЛЕНИЯ 24В DC, 0,7...1,25 US ТИПОРАЗМЕР S00, SPRING-LOADED TERMINAL | 47.61 |
| 3RH2140-2LF40 | 41A | СОГЛАСУЮЩИЙ ВСПОМОГАТЕЛЬНЫЙ КОНТАКТОР, КОНТАКТЫ 4НО, DC 110V, 0.7...1.25*US, W. PLUGGED-ON VARISTOR ТИПОРАЗМЕР S00, SPRING-LOADED TERMINAL | 46.23 |
| 3RH2140-4KB40 | 41A | СОГЛАСУЮЩИЙ ВСПОМОГАТЕЛЬНЫЙ КОНТАКТОР, 4NO, НОМИНАЛЬНОЕ НАПРЯЖЕНИЕ ЦЕПИ УПРАВЛЕНИЯ 24В DC, 0.7...1.25*US, W/ INTEGRATED SUPPRESSOR DIODE, ТИПОРАЗМЕР S00, RING TERMINAL LUG CON | 46.00 |
| 3RH2422-1LF40-0LA0 | 41A | LATCHED CONTACTOR RELAY FOR RAILWAY APPLICATIONS 2NO+1NC, DC110V, 0.7...1.25*US, VARISTOR INTEGRATED, SZ S00, SCREW TERMINAL SZ. S00, SCREW TERMINAL | 173.65 |
| 3RH2431-1LW80-0LA0 | 41A | LATCHED ВСПОМОГАТЕЛЬНЫЙ КОНТАКТОР, 3S+1OE DC 32V, 0,7.. 1,25*US W. INTEGRATED VARISTOR, AND SERIES RESISTOR, SZ S00, SCREW TERMINAL | 173.65 |