| Заказные данные |
Кольцевой датчик веса особенно подходит для использования в контейнерных и бункерных весах.
| Заказные данные |
Измерительный элемент - цилиндр из нержавеющей стали с 4-мя прикрепленными тензоэлементами. Корпус из окрашенной стали защищает тензоэлементы от окружающей среды.
Измерительный элемент деформируется нагрузкой, которая воздействует центрально в направлении измерения. Это приводит к изменению в электрическом сопротивлении тензоэлемнтов, которое измеряется посредством мостовой схемы.
Вертикальное смещение зависит от нагрузки и находится в пределах от 0.23 and 2.67 мм.
| Заказные данные |
| SIWAREX WL270 K-S CA |
|
|
|---|---|---|
| Возможное применение |
| Контейнерные и бункерные весы |
| ТИП |
| Сжатие |
| Номинальная/максимальная нагрузка Emax |
| 2.8/6/13/28/60/130/280 т |
| Класс точности |
| 0.1 % |
| Комбинированная ошибка Fcomb |
| ≤ 0.1 % Cn |
| Температурный коэффициент |
|
|
|
| ≤ ± 0.25 % Cn/5 K |
|
| ≤ ± 0.25 % Cn/5 K |
| Мин. нагрузка Emin |
| 0 % Emax |
| Безопасная перегрузка Lu |
| 120 % Emax |
| Нагрузка максимальная Ld |
| 300 % Emax |
| Безопасная боковая нагрузка LIq |
| 10 % Emax |
| Верт. смещение hn при Emax |
| 0.23 ... 2.67 mm |
| Напр. питания Usr (референс) |
| 6 V |
| Напр. питания (диапазон) |
| 6 ... 12 V |
| Переходная характеристика Cn |
| 1.5 mV/V |
| Допуск Переходной характеристики Dc |
| ± 0.5 % |
| Допуск нуля Do |
| ≤ ± 1.5 % Cn |
| Входное сопротивление Re |
| 275 Ω ± 50 Ω |
| Выходное сопротивление Ra |
| 245 Ω ± 0.2 Ω |
| сопротивление изоляции Ris |
| ≤ 20 MΩ |
| Номинальный темп. диапазон Btn |
| -10 ... + 60 °C |
| Рабочий темп. диапазон Btu |
| -20 ... + 70 °C |
| темп. диапазон хранения Bts |
| -30 ... + 80 °C |
| Материал датчика (DIN) |
| н.сталь, окр. сталь |
| Класс защиты DIN EN 60529; IEC 60529 |
| IP66 |
| Кабельное соединение |
|
|
| Функция |
| Цвет |
|
| Красный |
|
| Белый |
|
| Черный |
|
| Синий |
|
| Прозрачный |
| Заказные данные |
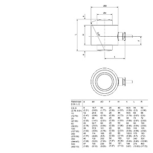
| НПВ | a | Ød | ØD | H | k | L | R |
|---|---|---|---|---|---|---|---|
| 2.8, 6 t | 8 | 16.7 | 45 | 40 | 40 | 56 | 50 |
| 13 t | 12 | 24.5 | 55 | 44 | 45 | 68 | 66 |
| 28 t | 14 | 36 | 64 | 46 | 48 | 74 | 72 |
| 60 t | 20 | 52.7 | 90 | 50 | 63 | 90 | 100 |
| 130 t | 26 | 77.5 | 121 | 64 | 78 | 116 | 125 |
| 280 t | 45 | 114 | 165 | 80 | 100 | 170 | 183 |
SIWAREX WL270 K-S CA датчик веса, размеры в мм
| Заказные данные |
Цена на сайте указана розничная в ЕВРО без учета НДС.Для уточнения цены и размера предоставляемой скидки - звоните или присылайте заявки
| Заказной номер | PG | Описание продукта | Цена |
| 7MH5114-4JL00 | 801 | SIWAREX WL270 LOAD CELL K-S CA 2,8 T - RATED LOAD 2,8T - ACCURACY 0,1 % - 6M CABLE LENGTH, 4 WIRES - MADE OF STEEL, COATED - PROTECTION CLASS IP66 | 1184.02 |
| 7MH5114-4QL00 | 801 | SIWAREX WL270 LOAD CELL K-S CA 6 T - RATED LOAD 6T - ACCURACY 0,1 % - 6M CABLE LENGTH, 4 WIRES - MADE OF STEEL, COATED - PROTECTION CLASS IP66 | 1292.14 |
| 7MH5114-5DL00 | 801 | SIWAREX WL270 LOAD CELL K-S CA 13 T - RATED LOAD 13T - ACCURACY 0,1 % - 15M CABLE LENGTH, 4 WIRES - MADE OF STEEL, COATED - PROTECTION CLASS IP66 | 1400.26 |
| 7MH5114-5JL00 | 801 | SIWAREX WL270 LOAD CELL K-S CA 28 T - RATED LOAD 28T - ACCURACY 0,1 % - 15M CABLE LENGTH, 4 WIRES - MADE OF STEEL, COATED - PROTECTION CLASS IP66 | 1508.38 |
| 7MH5114-5QL00 | 801 | SIWAREX WL270 LOAD CELL K-S CA 60 T - RATED LOAD 60T - ACCURACY 0,1 % - 15M CABLE LENGTH, 4 WIRES - MADE OF STEEL, COATED - PROTECTION CLASS IP66 | 1724.62 |
| 7MH5114-6DL00 | 801 | SIWAREX WL270 LOAD CELL K-S CA 130 T - RATED LOAD 130T - ACCURACY 0,1 % - 20M CABLE LENGTH, 4 WIRES - MADE OF STEEL, COATED - PROTECTION CLASS IP66 | 1940.86 |
| 7MH5114-6JL00 | 801 | SIWAREX WL270 LOAD CELL K-S CA 280 T - RATED LOAD 280T - ACCURACY 0,1 % - 20M CABLE LENGTH, 4 WIRES - MADE OF STEEL, COATED - PROTECTION CLASS IP66 | 2589.58 |