0

Разделы

Защита от перенапряжений SICROWBAR AC

 SICROWBAR AC модуль защиты от перенапряжения  используется для защиты силовых  полупроводниковых элементов (тиристоров и диодов) в преобразователях от перенапряжений между фазами трехфазной сети питания. Спектр применения не ограничивается защитой преобразователя постоянного тока, а также может быть использован для питания / рекуперации блоков системы привода переменного тока, которые оснащены тиристорами. Перенапряжение, которое происходит на стороне переменного тока преобразователей в основном вызваны переключениями при отключении от сетевого питания на первичной обмотке трансформатора. Это относится как к оперативным переключениям (выключение в ненагруженном состоянии), а также в случае отказа (отключения под нагрузкой).

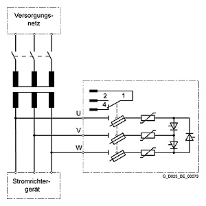
Защита от перенапряжения используется обычно в следующей конфигурации:

 


Дизайн

Защита от перенапряжений SICROWBAR AC

Существует три версии устройства в зависимости от номинального напряжения:

Версия

Номинальное напряжение

Проектирование, монтаж

A

До 580 В

Монтируемые в корпус. Для установки в вертикальном положении на панелях в шкафах или на рамах машин. 

B

До 725 В

Монтируемые на базовую плиту. Для установки в шкафы шириной 600 мм.

C

До 1 150 В

Монтируемые на базовую плиту. Для установки в шкафы шириной 600 мм.

Силовая часть устройства  ограничения перенапряжения имеет P3C соединения, 3-импульсное полностью контролируемое соединение "многоугольником". Кабели соединения "многоугольником" имеют металло-оксидные варисторы, которые поглощают энергию перенапряжения.

Полупроводниковые предохранители, включенные в устройство,  размещаются в  предохранителе-разъеденителе со встроенным контролем предохранителей.

Пороговые диоды и RC-цепочки для тиристоров и варисторов размещены на печатной плате, вместе с последовательными резисторами в цепи затвора и диодами, передающими напряжение на пороговые диоды.  

 


Способ действия

Защита от перенапряжений SICROWBAR AC

При возникновении перенапряжения, которое достигает порога срабатывания цепи поджига, срабатывают пороговые диоды и открывают соответствующие тиристоры. В результате варисторы подключаются к сети. и поглощают энергию перенапряжения. RC цепочки защищают тиристоры от чрезмерно быстрого изменения тока, когда ток прерывается.

 


Конфигурация

Защита от перенапряжений SICROWBAR AC
Рекомендации по выбору

Следующие подробности должны быть приняты во внимание:

  • Предельное напряжение защиты VRRM55 не должно быть превышено при наихудшем случае, для обеспечения надежной работы полупроводников.
  • Номинальное напряжение защиты не должно быть превышено.
  • Перенапряжения при коммутации ключей преобразователя не должно превышать соответсвующее напряжение защиты. Поглощающая способность защиты должна быть проверена. Расчет следует проводить для двух случаев:
    • Трансформатор отключен без нагрузки
    • Трансформатор отключен под нагрузкой

Подробные замечания по конфигурированию, стандарты и подключение защиты описаны в инструкции по эксплуатации, на DVD-ROM, поставляемом с каталогом D 23.1 или в интернете по ссылке: http://support.automation.siemens.com/WW/view/en/18260008/130000.

 


Технические данные

Защита от перенапряжений SICROWBAR AC

Основные технические данные

SICROWBAR AC ограничитель перенапряжения

Степень защиты

IP00 согласно EN 60529

Класс защиты

I согласно EN 50178

Категория перенапряжения

III, соответствует EN 60664

Измерение трека и воздушного зазора

Степень загрязнения 2 согласно EN 50178

Номинальное напряжение изоляции (для установки на высоте до 2 000 м над уровнем моря) 1)

725 V AC номинального напряжения питания 400 ... 725 V 1 200 V AC номинального напряжения питания 850 ... 1 150 V

Высота установки

≤ 2 000 м над уровнем моря

Допустимая температура окр.среды

 

  • При работе

+5 ... +55 °C

  • При хранении

-40 ... +70 °C

Климатический класс

3K3 согласно EN 60721-3-3

Контроль предохранителей  (микровыключатель на  предохранителе-разъединителе, 1 переключающий контакт)

Плоский коннектор 6.3 mm × 0.8 mm

  • Разъеденитель закрыт, все предохранители слева в норме

1/2 закрыт, 1/4 открыт

  • Разъеденитель закрыт, один из нескольких предохранителей слева поврежден 

1/4 закрыт, 1/2 открыт

  • Разъеденитель открыт

1/4 закрыт, 1/2 открыт

  • Макс.переключающая способность

50 Hz 250 V AC, 3 A30 V DC, 3 A

1) Установка выше 2 000 м по требованию.

 

 

 

SICROWBAR AC ограничитель перенапряжения

 

 

7VV3002‑3CD20

7VV3002‑3AD20

7VV3002‑3BD20

7VV3002‑3GD20

Макс.допустимое напряжение питания VN

В

460

 

550

 

Номинальное напряжение срабатывания  BOD элемента VAN

В

1 000

1 200

1 400

1 600

Миним. предел напряжения элемента BOD при  5 °CVRRM_05

В

864

1 056

1 248

1 440

Макс.предел напряжения  BOD при 55 °CVRRM_55

В

1 166

1 378

1 590

1 802

Максимально допустимый ток, Imax

A

200

1 000

 

2  000

Номинальное напряжение по изоляции (напряжение по изоляции  определяется наиболее высоким напряжением питания соответствующего типа конструкции) VISO

В

550

 

 

 

Напряжение варистора (напряжение пробоя) при TA = 25 °C, 1 mA (значение спецификации × 2 на 2 последовательно соединенных варисторов) VV

В

720

 

860

 

Макс. энергия (для 2 ms) при TA = 85 °C (значение спецификации × 2 на 2 последовательно соединенных варисторов) W0

Ws

600

 

720

 

Energy that can be absorbed 100 times (determined from the derating data) W2

Ws

350

 

419

 

Energy that can be absorbed 10 000 times (determined from the derating data) W4

Ws

42

 

50

 

Версия

 

A

 

 

 

Размеры

 

 

 

 

 

  • Ширина 

мм

265

 

 

 

  • Высота

мм

385

 

 

 

  • Глубина

мм

237

 

 

 

Приблиз.вес

кг

7

 

 

 

 

 

 

SICROWBAR ограничение перенапряжений AC

 

 

 

7VV3002‑3DD20

7VV3002‑3ED20

7VV3002‑3JD20

7VV3002‑3KD20

7VV3002‑3LD20

Максимально допустимое номинальное напряжение питания VN

V

770

920

 

1 100

 

Номинальное напряжение срабатывания элемента  BOD  VAN

V

1 900

2 400

2 600

2 800

3 000

Мин.предел напряжения элемента  BOD при 5 °CVRRM_05

V

1 728

2 208

2 400

2 592

2 784

макс.предел напряжения элемента BOD при 55 °CVRRM_55

V

2 120

2 650

2 862

3 074

3 286

Макс. допустимый ток, Imax

A

300

800

1 000

400

1 000

Номинальное напряжение по изоляции (напряжение по изоляции  определяется наиболее высоким напряжением питания соответствующего типа конструкции) VISO

V

770

1 100

 

 

 

Напряжение варистора(напряжение пробоя ) при TA = 25 °C, 1 mA (значение спецификации × 2 для 2х последовательно соединенных варисторов) VV

V

1 240

1 500

 

1 820

 

Max. энергия (за 2 ms) at TA = 85 °C (значение спецификации × 2 для 2х последовательно соединенных варисторов) W0

Ws

2 400

3 300

 

3 000

 

Энегрия, которая может быть поглощена 100 раз(определена из расчета) W2

Ws

986

1 196

 

1 027

 

Энегрия, которая может быть поглощена 10000 раз(определена из расчета) W4

Ws

145

176

 

214

 

Версия

 

B

C

 

 

 

Размеры

 

 

 

 

 

 

  • Ширина

mm

580

 

 

 

 

  • Высота

mm

305

 

 

 

 

  • Глубина

mm

205

245

 

 

 

Приблиз.вес

kg

11

12

 

 

 

 

 


Дополнительно

Защита от перенапряжений SICROWBAR AC

Зап.части можно посмотреть в интернете  http://workplace.automation.siemens.de/sparesonweb.

 


Заказные данные

Цена на сайте указана розничная в ЕВРО без учета НДС.Для уточнения цены и размера предоставляемой скидки - звоните или присылайте заявки

Заказной номерPGОписание продуктаЦена